
| 規格 | A | B | J | N | R | T | Y48 |
| MRGL-1000/3 | 378 | 312 | 353 | 185 | 60 | 8 | 48 |
| MRGL-1000/4 | 498 | 312 | 473 | 249 | 60 | 8 | 48 |
| MRGL-1250/3 | 378 | 356 | 353 | 185 | 80 | 8 | 48 |
| MRGL-1250/4 | 498 | 356 | 473 | 249 | 80 | 8 | 48 |
| MRGL-1600/3 | 378 | 356 | 353 | 185 | 80 | 10 | 49 |
| MRGL-1600/4 | 498 | 356 | 473 | 249 | 80 | 10 | 49 |
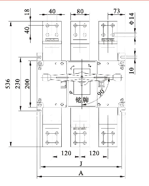
| 規格 | A | J | T1 | T2 | Y1 | Y2 |
| MRGL-2000/3 | 378 | 350 | 8 | 12 | 90 | 255 |
| MRGL-2000/4 | 498 | 470 | 8 | 12 | 90 | 255 |
| MRGL-2500/3 | 378 | 350 | 8 | 12 | 90 | 255 |
| MRGL-2500/4 | 498 | 470 | 8 | 12 | 90 | 255 |
| MRGL-3200/3 | 378 | 350 | 10 | 14 | 89 | 256 |
| MRGL-3200/4 | 498 | 470 | 10 | 14 | 89 | 256 |
